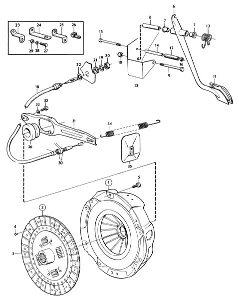
Pedalgummi Kupplung/Bremse 1957-93
Nr Explosionszeichnung: 11
Artnr: 666176
Rückholfeder Kupplungspedal B20 69-73
Nr Explosionszeichnung: 13
Artnr: 673563
Kupplungskabel Amazon B20/1800E/ES/140
Nr Explosionszeichnung: 18
Artnr: 684770
Kupplungskabel Amazon B20/1800/140 re
Nr Explosionszeichnung: 18
Artnr: 1206206
Buchse Kupplungskabel 67-75
Nr Explosionszeichnung: 21
Artnr: 677056
Kupplung Ausrückgabel Amazon 140/164/240
Nr Explosionszeichnung: 31
Artnr: 1212189
Rückholfeder Kupplung B20 M40/M41 69-77
Nr Explosionszeichnung: 34
Artnr: 677531
Gummidurchführung Ausrückgabel B20
Nr Explosionszeichnung: 35
Artnr: 677465
Gummidurchführung Ausrückgabel B20
Nr Explosionszeichnung: 35
Artnr: 677465OE
Ausrücklager B18/B20/B21/B23/B200/B230-8
Nr Explosionszeichnung: 36
Artnr: 380569
Schraube UNC 3/8-16x4" (102 mm)
Nr Explosionszeichnung: 9
Artnr: 955544
Mutter UNC 3/8-16 verschluss h=11,5 mm
Nr Explosionszeichnung: 10
Artnr: 950364
Unterlegscheibe
Nr Explosionszeichnung: 19
Artnr: 955900
Mutter UNF 5/8-18 h=9,5 mm
Nr Explosionszeichnung: 20
Artnr: 940152
Unterlegscheibe
Nr Explosionszeichnung: 22
Artnr: 955902
Schraube UNC 1/4-20x3/4" (19 mm)
Nr Explosionszeichnung: 27
Artnr: 955513
Unterlegscheibe M6 & 1/4 6,7x14x1,5
Nr Explosionszeichnung: 28
Artnr: 955893
Mutter UNF 9/16-18x1/2" (13 mm)
Nr Explosionszeichnung: 30
Artnr: 955859
Schraube UNC 5/16-18x7/8" (22 mm)
Nr Explosionszeichnung: 32
Artnr: 940135
Unterlegscheibe 8,4x15x0,8 mm
Nr Explosionszeichnung: 33
Artnr: 941907
Zeige 1-20 von 20 Produkten
Nicht mehr erhältlich