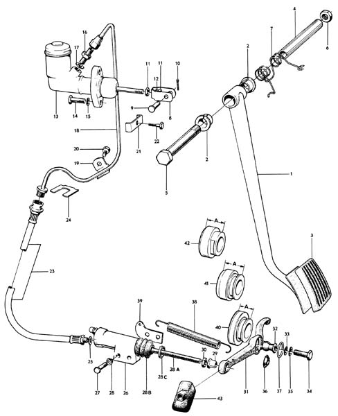
Hydr.satz Kupplung Amazon B18 1961-68
Nr Explosionszeichnung:
Kupplungssatz Amazon 62 -68
Nr Explosionszeichnung:
Geberzylinder Kupplung Amazon/1800-68
Nr Explosionszeichnung: 13
Artnr: 653094
Deckel für 653094
Nr Explosionszeichnung:
Artnr: 653094-CAP
Deckel Geberzylinder Kupplung Aluminum
Nr Explosionszeichnung:
Artnr: 656479
Dichtung Lock Geberzylinder Kupplung
Nr Explosionszeichnung:
Artnr: 656480
Kupplungszylinder Amazon/1800
Nr Explosionszeichnung: 26
Artnr: 673030
Buchse Pedalachse Amazon/1800
Nr Explosionszeichnung: 2
Artnr: 659048
Pedalgummi Kupplung/Bremse 1957-93
Nr Explosionszeichnung: 3
Artnr: 666176
Rückholfeder
Nr Explosionszeichnung: 7
Artnr: 663389
Gabelung Hauptkupplingszylinder Amazon/1
Nr Explosionszeichnung: 8
Artnr: 672917
Splintbolzen Bremse/Kupplung
Nr Explosionszeichnung: 9
Artnr: 913128
Splint 2 x 20
Nr Explosionszeichnung: 10
Artnr: 907824
Verbindung Hauptzylinder Kupplung 653094
Nr Explosionszeichnung: 16
Artnr: 190784
Hydraulikleitung Kupplung, original
Nr Explosionszeichnung: 18
Artnr: 667079OE
Hydraulikleitung Kupplung Amazon
Nr Explosionszeichnung: 23
Artnr: 656877
Klammer 8x6,4 mm
Nr Explosionszeichnung: 19
Artnr: 951189
Klammer 7x6,4 mm
Nr Explosionszeichnung: 19
Artnr: 951188
Schraube 6-kant, Gewinde h=12 mm
Nr Explosionszeichnung: 20
Artnr: 190665
Verschlussclips Bremsschlauch PV/210/AZ
Nr Explosionszeichnung: 24
Artnr: 80939
Unterlegscheibe Kupfer 10,3x13,7x1,25 mm
Nr Explosionszeichnung: 17
Artnr: 18651
Justiermutter Amazon/1800
Nr Explosionszeichnung: 29
Artnr: 653433
Rückholfeder Kupplung Amazon/1800
Nr Explosionszeichnung: 38
Artnr: 653941
Halterung Kupplungsfeder Amazon/1800
Nr Explosionszeichnung: 39
Artnr: 657894
Druckstange Amazon/1800
Nr Explosionszeichnung: 28
Artnr: 673032
Gummidurchführung Ausrückgabel  B18
Nr Explosionszeichnung: 43
Artnr: 663994
Gummidurchführung Ausrückgabel  B18
Nr Explosionszeichnung: 43
Artnr: 663994OE
Luftnippel  3/8" UNF
Nr Explosionszeichnung:
Artnr: 656455
Gummihut Luftnippel
Nr Explosionszeichnung:
Artnr: 656456
Gummibalg Kupplungszyl B18 120/P1800
Nr Explosionszeichnung: 28
Artnr: 673034
Mutter UNF 5/16-24 h=6,7 mm verzinkt
Nr Explosionszeichnung: 11
Artnr: 955847
Schraube UNC 5/16-18x7/8" (22 mm)
Nr Explosionszeichnung: 14
Artnr: 940135
Zeige 1-32 von 38 Produkten
Nicht mehr erhältlich