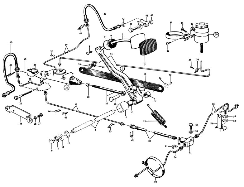
Bremsschlauch PV/Duett/Amazon B4B/B16/B1
Nr Explosionszeichnung:
Artnr: 87695
Bremsschlauchsatz PV/Duett metallumwick.
Nr Explosionszeichnung:
Artnr: 600100
Verschlussclips Bremsschlauch PV/210/AZ
Nr Explosionszeichnung:
Artnr: 80939
Klammer Bremse/Kraftstoffleitung
Nr Explosionszeichnung:
Artnr: 121572
Schraube 6-kant, Gewinde h=12 mm
Nr Explosionszeichnung:
Artnr: 190665
Schraube Spritzwandpappe 47-53 h=13 mm
Nr Explosionszeichnung:
Artnr: 106916
Bremsrenovierungssatz PV/Duett 61-68
Nr Explosionszeichnung:
Artnr: 663468-KIT
Bremsleitungssatz Volvo Duett 210
Nr Explosionszeichnung:
Bremsleitungssatz Volvo Duett 210
Nr Explosionszeichnung:
Artnr: 667906-KIT
Bremsleitung PV/Duett Li/Re Front
Nr Explosionszeichnung:
Artnr: 86828-29OE
Bremsleitung PV hi li und vo li
Nr Explosionszeichnung:
Artnr: 659928
Bremsleitung PV/Duett vo re
Nr Explosionszeichnung:
Artnr: 86829
Bremsleitung 210 längs
Nr Explosionszeichnung:
Artnr: 667906
Brake line Container-Master cylinder PV
Nr Explosionszeichnung:
Artnr: 667907
Bremsleitung Volvo Duett hi li/re
Nr Explosionszeichnung:
Bremsleitung Duett hi li
Nr Explosionszeichnung:
Artnr: 668921
Bremsleitung Duett hi re
Nr Explosionszeichnung:
Artnr: 668922
Konsole PV/Duett B18 Bremsleitung
Nr Explosionszeichnung:
Artnr: 659925
Stehbolzen Bremsleitung J Stahl
Nr Explosionszeichnung:
Artnr: BN2
Klammer Bremsleitung/Kupplungshydraulik
Nr Explosionszeichnung:
Artnr: 18335
Klammer Hinterachse Bremsleitung
Nr Explosionszeichnung:
Artnr: 18355
Verzweigung Hinterachse 3-Wege
Nr Explosionszeichnung:
Artnr: 87696
Bremslichtschalter B4B/B16/B18
Nr Explosionszeichnung:
Artnr: 672425
Adapter, 87694 zu B18
Nr Explosionszeichnung:
Artnr: AD15
Dichtung, Verschlussdeckel  AD 15
Nr Explosionszeichnung:
Artnr: 86421
Bremsleitung Behälter-Hauptbr.zylinder P
Nr Explosionszeichnung:
Artnr: 663467
Bremsflüssigkeitsbehälter PV
Nr Explosionszeichnung:
Artnr: 663418
Klammer Bremsflüssigkeitsbehälter PV
Nr Explosionszeichnung:
Artnr: 663417
Zeige 1-32 von 38 Produkten
Nicht mehr erhältlich