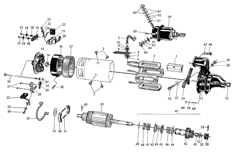
Bürstenfeder Startmotor B16/B18
Nr Explosionszeichnung: 28
Artnr: 238817
Kohlenfedersatz Startmotor  B4B Autolite
Nr Explosionszeichnung: 21
Artnr: 72882
Kohlenfeder Startmotor B4B/16/18
Nr Explosionszeichnung: 21
Artnr: 233679
Batteriekabel Batterie - Karosserie 444
Nr Explosionszeichnung:
Artnr: 11524
Batteriekabel
Nr Explosionszeichnung:
Artnr: 11417
Batteriekabel  47-74
Nr Explosionszeichnung:
Artnr: 190339
Batterieleitung PV B4B
Nr Explosionszeichnung:
Artnr: 11830
Batterieleitung PV B16
Nr Explosionszeichnung:
Artnr: 190828
Gehäuse Startkabel -93 Gummi
Nr Explosionszeichnung:
Artnr: 673580
Mutter UNF 5/16-24 h=6,7 mm
Nr Explosionszeichnung: 69
Artnr: 921781
Federring M8 & 5/16" 8,2x14,2x2 mm
Nr Explosionszeichnung: 64
Artnr: 955921
Fächerscheibe IZ 12,5
Nr Explosionszeichnung: 70
Artnr: 940147
Splint 3,2 x 50
Nr Explosionszeichnung: 53
Artnr: 907849
Mutter M6-1,0x4,8
Nr Explosionszeichnung: 56
Artnr: 955781
Federring M4 4,1x7,1x0,9 mm
Nr Explosionszeichnung: 27
Artnr: 955917
Mutter M8-1,25x6,2
Nr Explosionszeichnung: 60
Artnr: 955782
Federring M5 5,1x8,7x1,2 mm
Nr Explosionszeichnung: 35
Artnr: 955918
Zeige 1-18 von 18 Produkten
Nicht mehr erhältlich