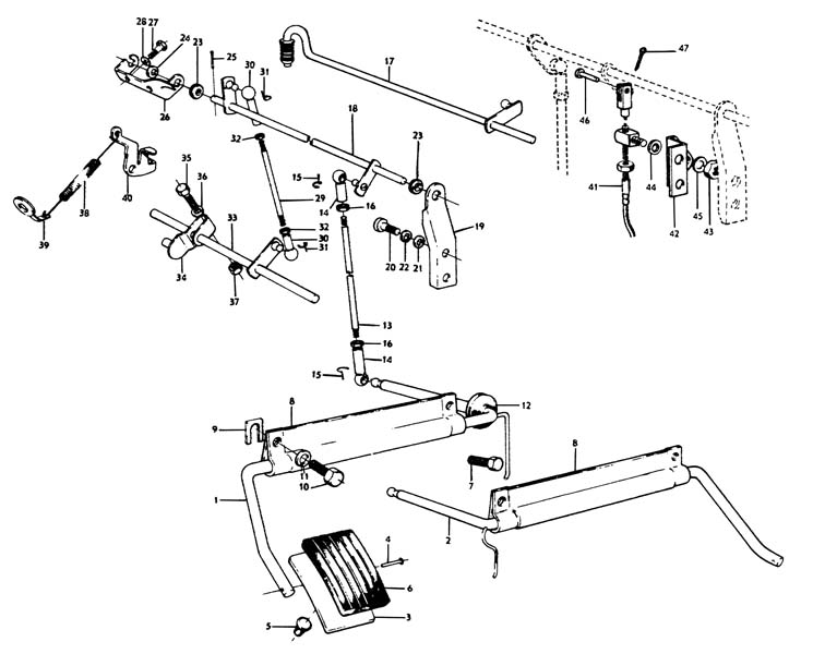
Pedalgummi Gas PV/Duett/Amazon
Nr Explosionszeichnung: 6
Artnr: 660533
Gummidurchführung Gaspedal Amazon B18/B2
Nr Explosionszeichnung: 12
Artnr: 663052
Gasgestänge Kugelkopf Pv, Amazon, P1800
Nr Explosionszeichnung: 14
Artnr: 959088
Sicherungsbügel Kugelschale gasreglage
Nr Explosionszeichnung: 15
Artnr: 959093
Mutter M5-0,8x3,8
Nr Explosionszeichnung: 16
Artnr: 955780
Gummipuffer
Nr Explosionszeichnung: 5
Artnr: 81803
Buchse, Pedalachse Konsole B18/B20
Nr Explosionszeichnung: 23
Artnr: 666143
Verstellmech.Satz Vergaser B18A VN36
Nr Explosionszeichnung: 17
Artnr: 661963-SET
Schraube UNC 1/4-20x1/2" (13 mm)
Nr Explosionszeichnung: 10
Artnr: 955512
Schraube UNC 1/4-20x5/8" (16 mm) URX
Nr Explosionszeichnung: 20
Artnr: 950046
Unterlegscheibe M6 & 1/4 6,7x14x1,5
Nr Explosionszeichnung: 21
Artnr: 955893
Federring 1/4" 6,5X11,5X1,6 mm
Nr Explosionszeichnung: 11
Artnr: 955920
Zeige 1-13 von 13 Produkten
Nicht mehr erhältlich