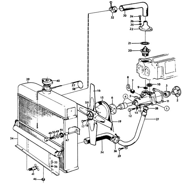
Kühler PV/Duett/Amazon 61-66 B18
Nr Explosionszeichnung: 39
Artnr: 252087
Kühler PV/Duett/Amazon 61-66 B18
Nr Explosionszeichnung: 39
Artnr: 252087-A
Kühler PV/Duett/Amazon 61-66 B18
Nr Explosionszeichnung: 39
Artnr: 252087-AL
Kühlerschlauchsatz B18 -66 mit Montagesa
Nr Explosionszeichnung:
Artnr: 273062
Kühlerschlauchsatz B18 -66 mit Klammern
Nr Explosionszeichnung:
Artnr: 273189
Kühlerschlauch B18 oben/unten -66
Nr Explosionszeichnung: 34
Artnr: 663031
Kühlerschlauch B18 ob/unt -66 Silikon
Nr Explosionszeichnung: 34
Artnr: 663031SI
Schlauchschelle 26-38 mm OE typ
Nr Explosionszeichnung: 36
Artnr: 952659OE
Schlauchschelle 26-38 mm
Nr Explosionszeichnung: 36
Artnr: 952659
Schlauchschellensatz Motor62-66 PV/AZ/18
Nr Explosionszeichnung: 36
Artnr: HKC62-66
Kühlerdeckel Klimaanlage B4B/B16/B18 -66
Nr Explosionszeichnung: 40
Artnr: 87842
Kühlerjalousie PV/AZ
Nr Explosionszeichnung:
Artnr: 656171
Kette Kühlergardine 544/Duett
Nr Explosionszeichnung: 57
Artnr: 313705
Ziehring Kette PV/Duett
Nr Explosionszeichnung: 58
Artnr: 88495
Dekal Kühler B18
Nr Explosionszeichnung:
Artnr: 106
Keilriemen B18/B20 10x888 "GATES"
Nr Explosionszeichnung: 15
Artnr: 960282
Zuleitung B18/B20 Kühler-Wasserpumpe
Nr Explosionszeichnung: 27
Artnr: 418334
Hülse Kühler B16/B18/B20
Nr Explosionszeichnung: 47
Artnr: 663497
Buchse Kühler B18/B20 Gummi
Nr Explosionszeichnung: 46
Artnr: 673989
Schraube UNC 3/8-16x1" (25 mm)
Nr Explosionszeichnung: 48
Artnr: 940115
Fächerscheibe 3/8"
Nr Explosionszeichnung: 50
Artnr: 955950
Unterlegscheibe 10,5x21x2 FZB
Nr Explosionszeichnung: 49
Artnr: 960148
Schraube UNC 5/16-18x2" (51 mm)
Nr Explosionszeichnung: 29
Artnr: 955526
Dichtring Wasserrohr B18/B20 -74
Nr Explosionszeichnung: 28
Artnr: 418326
Zeige 1-24 von 24 Produkten
Nicht mehr erhältlich