Navigation
- Volvo
- Motoren Volvo
- PV/Duett
- Bremssystem
- Kraftstoffsystem/Auspuffanlage
- Reifen/Radkappen
- Autoelektrik
- Vorderachse
- Innenausstattung
- Karosserie
- Hinterachse
- Kühlsystem
- Motor
- Motorensteuerung
- Heizung/Gebläse
- Sonstige
- Amazon
- P1800
- 140/164
- 240/260
- 740/760/780
- 850
- 940/960
- Andere Volvo
- Volvo Traktor
- Ford/Mercury
- General Motors
- Mopar
- Zubehör
- Angebote
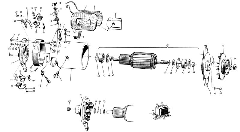
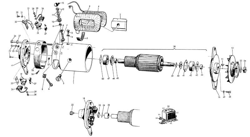
Generator Gleichstrom B18 PV/Duett
Zeige
1-9
von
9
Produkten
Nicht mehr erhältlich




</ a>







