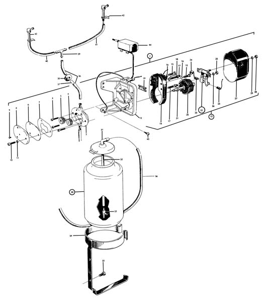
Waschwasserdüse PV/Duett/1800
Nr Explosionszeichnung: 42
Artnr: 668066
Fächerscheibe 4mm
Nr Explosionszeichnung: 11
Artnr: 955945
Unterlegscheibe
Nr Explosionszeichnung: 26
Artnr: 940120
Waschwasserbehälter PV/Duett/Amazon/1800
Nr Explosionszeichnung: 30
Artnr: 666977
Deckel Waschwasserbehälter 666977
Nr Explosionszeichnung:
Artnr: 666977-L
Halterung Waschwasser PV/Duett/AZ/1800
Nr Explosionszeichnung: 34
Artnr: 659809
Schlauch Waschwasseranlage Plastik
Nr Explosionszeichnung: 32
Artnr: 192581
Schraube 6-kant, 6,2x16 mm
Nr Explosionszeichnung: 35
Artnr: 190364
Stehbolzen Waschwasserbehälter rund
Nr Explosionszeichnung: 31
Artnr: 663641
Schlauch Waschwasseranlage B16 Gummi
Nr Explosionszeichnung: 36
Artnr: 191472
Ventil Waschwasserbehälter rund
Nr Explosionszeichnung: 33
Artnr: 667352
Anschlusstutzen
Nr Explosionszeichnung: 37
Artnr: 659285
Gummidurchführung Karosserie
Nr Explosionszeichnung: 38
Artnr: 40136
Verzweigung Waschwasser 3-Wege
Nr Explosionszeichnung: 39
Artnr: 659248
Schlauch Waschwasseranlage Plastik
Nr Explosionszeichnung: 41
Artnr: 192580
Schraube Kreuzkopf rund mit spitzem Ende
Nr Explosionszeichnung: 43
Artnr: 955140
Zeige 1-16 von 16 Produkten
Nicht mehr erhältlich