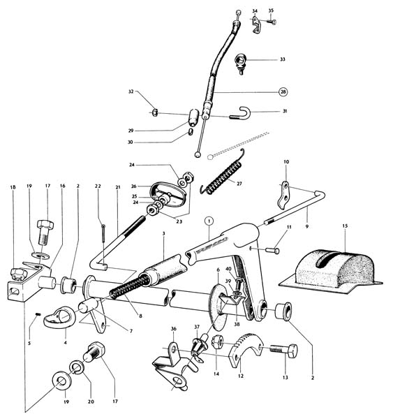
Handbremskabel Amazon ch15239-/544 58-66
Nr Explosionszeichnung:
Artnr: 658842
Klammer Handbremskabel 544/AZ/1800
Nr Explosionszeichnung:
Artnr: 658843-44
Handbremsmanschette PV/Duett/Amazon grau
Nr Explosionszeichnung:
Artnr: 669582
Schaltknaufmanschette PV/Due/Amazon/1800
Nr Explosionszeichnung:
Artnr: 670876
Handbremsschlaufe
Nr Explosionszeichnung:
Artnr: 660651
Handbremsschlaufe
Nr Explosionszeichnung:
Artnr: 660651-A
Sperrschraube Handbremsgriff
Nr Explosionszeichnung:
Artnr: 191030
Druckknopf Handbremse Duett/Amazon/1800/
Nr Explosionszeichnung:
Artnr: 654980
Buchse Handbremse
Nr Explosionszeichnung:
Artnr: 653576
Klammer Handbremskabel PV/AZ/1800
Nr Explosionszeichnung:
Artnr: 80969
Mutter UNF 5/16-24 h=8,5 mm verschluss
Nr Explosionszeichnung:
Artnr: 950373
Schraube UNF 1/4-28x5/8" (16 mm)
Nr Explosionszeichnung:
Artnr: 955637
Hängerkupplungsbügel 544/Amazon/1800
Nr Explosionszeichnung:
Artnr: 666418
Stange Handbremse Amazon
Nr Explosionszeichnung:
Artnr: 666419
Balg Handbremskabel
Nr Explosionszeichnung:
Artnr: 656945
Balg Handbremskabel
Nr Explosionszeichnung:
Artnr: 656945-A
Dichtung Handbremse PV/Duett 140/164
Nr Explosionszeichnung:
Artnr: 658322
Halterung Handbremse Amazon
Nr Explosionszeichnung:
Artnr: 661428
Halterung  Handbremse Amazon
Nr Explosionszeichnung:
Artnr: 661428OE
Rückholfeder Handbremse Amazon/1800
Nr Explosionszeichnung:
Artnr: 653625
Link Handbremsbacken PV/Duett/Amazon/180
Nr Explosionszeichnung:
Artnr: 659681
Dichtung Handbremsachse Gummi
Nr Explosionszeichnung:
Artnr: 653608
Schraube UNC 5/16-18x3/4" (19 mm)
Nr Explosionszeichnung:
Artnr: 955524
Schraube UNC 5/16-18x7/8" (22 mm)
Nr Explosionszeichnung:
Artnr: 940135
Schraube UNC 3/8-16x1" (25 mm)
Nr Explosionszeichnung:
Artnr: 940115
Mutter UNC 5/16-18 h=8,5 mm verschluss
Nr Explosionszeichnung:
Artnr: 950353
Mutter UNC 3/8-16 h=11,5 mm verschluss
Nr Explosionszeichnung:
Artnr: 950354
Unterlegscheibe 10,5x21x2 FZB
Nr Explosionszeichnung:
Artnr: 960148
Federring M10 10,2x17,2x2,2 mm
Nr Explosionszeichnung:
Artnr: 955922
Splint 3,2 x 50
Nr Explosionszeichnung:
Artnr: 907849
Mutter UNC 5/16-18 h=6,5 mm
Nr Explosionszeichnung:
Artnr: 955826
Zeige 1-32 von 34 Produkten
Nicht mehr erhältlich